Servizi

Servizi di allestimento con gru su misura per autocarri

Dal 1973, OMC Srl offre servizi di allestimenti gru su autocarri.

Progettiamo e installiamo gru idrauliche su misura per autocarri leggeri, medi e pesanti. Grazie a oltre cinquant’anni di esperienza, competenza ingegneristica e collaborazioni con marchi leader come HIAB, offriamo soluzioni affidabili, sicure e progettate per le esigenze operative delle aziende.

Il nostro approccio è B2B-oriented, studiato per aziende, fleet manager e operatori professionali che richiedono soluzioni tecniche avanzate e supporto completo lungo l’intero ciclo di vita del veicolo.

Servizi chiave: un approccio completo e su misura

OMC Srl gestisce internamente ogni fase dell’allestimento, garantendo un servizio chiavi in mano: dalla progettazione iniziale, alla scelta della gru, all’installazione, fino a collaudo, assistenza e manutenzione.

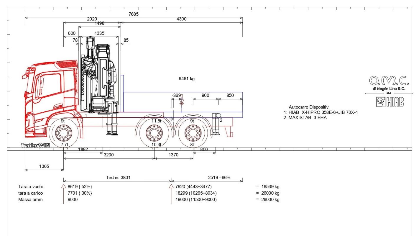
Progettazione tecnica e ingegneristica

Ogni progetto nasce da un’analisi ingegneristica approfondita, che tiene conto di:

  • Tipologia di veicolo (leggero, medio o pesante)
  • Carichi statici e dinamici
  • Distribuzione dei pesi e sollecitazioni sul telaio
  • Ottimizzazione del controtelaio e dei punti di ancoraggio
  • Integrazione con stabilizzatori e impianti idraulici/elettrici

L’obiettivo è garantire sicurezza, efficienza operativa e conformità normativa, riducendo rischi e fermi macchina.

Scelta della gru più idonea

Selezioniamo la gru più adatta in base a:

  • Portata, sbraccio e cicli di lavoro
  • Tipologia di autocarro e configurazione di carico
  • Sistemi di sicurezza e accessori specializzati
  • Compatibilità con impianti idraulici ed elettrici

L’approccio sartoriale consente di massimizzare le prestazioni della gru e l’efficienza complessiva del veicolo.

Allestimento, installazione e collaudo

Realizziamo l’allestimento con cura tecnica per ogni categoria di veicolo:

Autocarri leggeri

  • Controtelaio alleggerito e ottimizzato
  • Integrazione compatta della gru e stabilizzatori
  • Ottimizzazione degli spazi di carico
  • Collaudo e preparazione all’omologazione

Autocarri medi

  • Controtelaio rinforzato per carichi maggiori
  • Stabilizzatori anteriori e posteriori
  • Configurazione ergonomica e funzionale
  • Collaudo e verifica prestazioni

Autocarri pesanti

  • Controtelaio strutturale avanzato
  • Stabilizzatori evoluti e sistemi elettronici di sicurezza
  • Integrazione di gru ad alta portata e grande sbraccio
  • Collaudo, certificazioni e supporto all’omologazione

Supporto tecnico e manutenzione programmata

OMC Srl offre assistenza continua, con piani di manutenzione personalizzati per garantire:

  • Continuità operativa e riduzione dei fermi macchina
  • Efficienza delle gru e sicurezza dell’autocarro
  • Interventi straordinari e aggiornamenti tecnici

Progettazione tecnica e ingegneristica

Ogni progetto nasce da un’analisi ingegneristica approfondita, che tiene conto di:

  • Tipologia di veicolo (leggero, medio o pesante)
  • Carichi statici e dinamici
  • Distribuzione dei pesi e sollecitazioni sul telaio
  • Ottimizzazione del controtelaio e dei punti di ancoraggio
  • Integrazione con stabilizzatori e impianti idraulici/elettrici

L’obiettivo è garantire sicurezza, efficienza operativa e conformità normativa, riducendo rischi e fermi macchina.

Perché scegliere OMC Srl per un servizio professionale di allestimento di ogni tipo di autocarro

  • Esperienza e storia: dal 1973 leader nel settore della movimentazione
  • Competenza tecnica: ingegneria avanzata e progettazione su misura
  • Marchi di riferimento: HIAB, LINDE, SOLMEC, ROZZI, PARKER
  • Servizio completo: progettazione, allestimento, collaudo, assistenza e manutenzione
  • Soluzioni B2B orientate al valore: per flotte, aziende ed operatori professionali

Analizziamo il tuo autocarro e sviluppiamo la soluzione più adatta alle tue esigenze operative.

Torna in alto